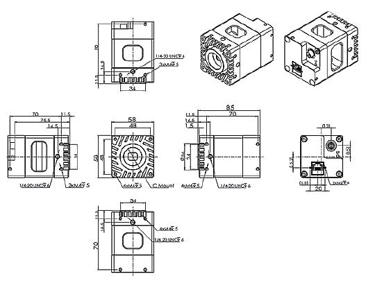
STC-LBS132POE-SWIR
Sony’s SenSWIR image sensor adopted widesensitivity SWIR camera with the addition of OMRON SENTECH’s heat dissipation design.
Two functions in one camera: The camera with SenSWIR technology is compatible both with the SWIR spectrum and a wide band of 400 to 1,700 nm wavelengths, which includes the visible light spectrum. Inspections that previously required two cameras, one for visible light imaging and the other for SWIR, can now be carried out with one that integrates both functions. This not only widens the scope of items and purposes of inspection, but also helps to reduce system cost and accelerate image processing, improving throughput. Also, one camera means the captured images in two modes are identical to the pixel level, avoiding image shift.




